التحكم الصناعي و التمديدات الكهربائية التحكم الصناعي و التمديدات الكهربائية المنزلية و المصانع Facebook
التمديدات الكهربائية المنزلية الهندسة الكهربائية
كتاب احتراف التمديدات الكهربية من الصفر للاحتراف
التمديدات الكهربائية المنزلية Pdf
أحدث و أسهل طريقة لتركيب التمديدات الكهربائية المنزلية Magarabic
تحميل كتاب مخططات الكهرباء المنزليه للمبتدئين Pdf صيانة الاجهزة الكهربية والمنزلية
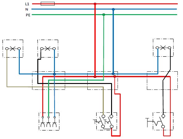
الرموز الكهربائية في التمديدات المنزلية Authorstream
تعلم بالصور التمديد الكهربائية لغرفة واحدة موسوعة الكهرباء والتحكم
مبادئ التمديدات الكهربائية المنزلية Pdf
دورة التمديدات الكهربائية المنزلية الدرس الكهرباء من الألف إلى الياء Facebook
تركيب وتوصيل قواطع الحماية ضمن اللوحة صور
تعليم تركيب كهرباء المنازل بالصور Pdf
كورس التمديدات الكهربائية المنزلية كهرباء منازل Youtube
تعرف على رموز التمديدات الكهربائية بالشكل الرمزي والتنفيذي التفصيلي موسوعة الكهرباء والتحكم
التحكم الصناعي و التمديدات الكهربائية المنزلية و المصانع Home Facebook
تعلم التمديدات الكهربائية خطوة بخطوة المفتاح المفرد والمزدوج والابريز موسوعة الكهرباء والتحكم
التمديدات الكهربائية غير مصنف
التحكم الصناعي و التمديدات الكهربائية المنزلية و المصانع Facebook